Electric Drive Units (EDUs) are sophisticated systems that combine electric motors and transmissions, operating under demanding thermal conditions. Beyond effective lubrication, managing thermal behavior is crucial for maintaining component integrity, preventing overheating, and ensuring optimal performance throughout the operational envelope.
A critical challenge in EDU design is the comprehensive understanding of coupled thermal and lubrication behavior. While proper oil distribution ensures lubrication and initial heat removal, predicting component temperatures and identifying potential thermal hotspots requires advanced thermal analysis. This becomes particularly important for temperature-sensitive components like windings, where exceeding thermal limits can lead to insulation damage and system failure.
This simulation case demonstrates the integration of particle-based lubrication analysis with 1D thermal network modeling, providing a complete thermal characterization of EDU performance under realistic operating conditions.
Objective: Coupled Thermal-Lubrication Analysis
The primary objective is to model both the thermal and lubrication behavior of an EDU through coupled simulation. This approach combines shonDy, which provides heat transfer coefficients and oil distribution through particle-based lubrication analysis, with shonTA, which predicts component temperatures using 1D and 3D thermal analysis. We have already taken a detailed look at oil distribution in EDUs on our site. If your main focus is lubrication, please refer to our in-depth case study.
By coupling these tools, the simulation delivers comprehensive insights into thermal performance, identifying critical temperature regions and validating cooling effectiveness across the entire EDU system.
Case Description
EDU Operating Conditions
The EDU was analyzed under boundary conditions defined by a motor rotation speed of 2000 RPM, an output transmission speed of about 150 RPM, a total oil volume of 1.6 liters with a shaft flow rate of 12 L/min, and thermal losses of roughly 9 kW.
Simulation Setup
The integrated approach combines two complementary tools. shonDy is used with almost the same case setup as described in our in-depth case study. The main difference is that heat transfer modeling was enabled for defined surfaces such as the shaft, rotor, winding, and stator. This allowed the calculation of heat transfer coefficients (HTCs), which were then exported and provided as input data for shonTA.
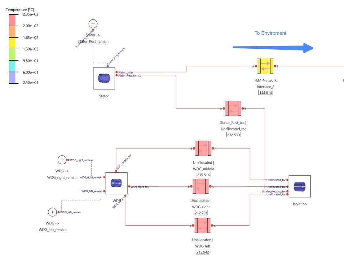
shonTA builds on this data and incorporates three different network types. Thermal contact conductance (TCC) models heat transfer between directly touching solids, the 1D flow network substitutes time-intensive CFD for simple geometries such as the oil channels within the shaft, and the 1D thermal network connects all components through advection, conduction, convection, and radiation. In this case, the flow network simplified the shaft channels, while the convection module made direct use of HTC data from shonDy to represent realistic cooling behavior.
Thermal Contact Conductance (TCC)
The TCC module predicts heat conduction between solids in direct contact through 3D FEM simulation. This allows accurate prediction of heat flow at component interfaces. For example, the shaft, rotor, and magnets are thermally connected in this way. The images below illustrate both the 3D geometry and the network representation of these connections.

1D Flow Network
The 1D Flow Network module models fluid flow through pipes, bends, valves, and junctions, effectively substituting time-intensive 3D CFD simulations for simple geometries while maintaining accuracy. This network is coupled with the thermal network to enable comprehensive temperature prediction throughout the fluid system.
The example below demonstrates the oil channels within the shaft, consisting of one large main channel and eight smaller sub-channels. This entire sub-system is simplified using a 1D Flow Network approach that remains thermally connected to the shaft. Rather than employing computationally intensive 3D CFD for this subsystem, the simulation uses simplified pipe flow models connected to each other and linked to the 3D FEM model. The right image shows a portion of the 1D Network representation for one sub-channel, illustrating how complex geometries are efficiently modeled using this approach.

1D Thermal Network
The 1D Thermal Network module simulates comprehensive thermal effects including advection, conduction, convection, and radiation, thermally connecting all components throughout the system. This approach enables fast, system-level temperature analysis while maintaining the accuracy required for critical design decisions.
The integration process begins with heat transfer coefficient (HTC) results from the shonDy simulation, as shown in the image below. These results are provided as a point cloud dataset that serves as input data for shonTA’s convection heat transfer module, ensuring that the thermal analysis is based on realistic flow-induced heat transfer conditions.

The integration of the convection module is demonstrated in the subsequent image, where HTC data, flow properties, oil temperature, and other thermal boundary conditions are utilized to calculate the temperature behavior and development of different solid components. This coupled approach ensures that both fluid dynamics and thermal effects are accurately represented in the final temperature predictions.

Results
shonDy – Heat Transfer Coefficient Distribution
The shonDy simulation provided critical interface data, with HTCs reaching steady state after about 4.5 seconds. Average values were 160 W/m²K for the winding and 200 W/m²K for the stator. Oil distribution after 5 seconds is shown in the images below, together with the 3D distribution of HTCs across winding and stator surfaces.


shonTA – Thermal Analysis
The thermal analysis revealed operating temperatures ranging from 80 °C (initial oil temperature) to 235 °C. Heat transfer follows a clear path: energy flows from the windings into the stator and is ultimately released to the environment.

A closer look at the winding shows distinct temperature variations. The ends remain significantly cooler due to direct oil contact, while the middle section becomes the hottest area. This region is electrically insulated from the stator, which also acts as a thermal barrier. As a result, heat cannot be removed directly and is mainly conducted toward the winding ends, where it is dissipated more effectively.

A comparison of steady-state (left) and transient simulations (right) after ten minutes of operation highlights this thermal isolation. In the transient case, a sharp temperature gradient forms between the winding and the stator, whereas in steady state these gradients are smoothed out over time.

Key Findings and Design Recommendations
The analysis revealed a critical overheating issue: winding temperatures reach up to 240 °C, exceeding the allowable operating limit of 180 °C by a margin of 60 °C. This condition poses serious risks to component integrity and overall system reliability.
To mitigate the problem and improve EDU performance, several measures are recommended. Cooling effectiveness can be enhanced by optimizing the shaft spray pattern to better target hot spots, while additional oil cooling channels through the stator would provide alternative heat dissipation paths. Finally, extending the simulation to multiple operating points with varying loads and EDU inclinations is advised to ensure robust thermal performance across the entire operational envelope.
Summary
This case study demonstrates the power of coupled simulation using shonDy and shonTA. While shonDy contributes detailed lubricant distribution mapping, HTC calculations, for realistic boundary conditions, shonTA provides system-level thermal evaluation, temperature prediction, and identification of critical heat paths. Together, they deliver a complete thermal characterization of EDU components under realistic conditions, enabling early identification of overheating risks and guiding effective design optimizations.

